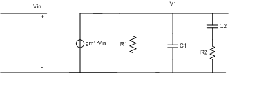
电阻与电容串联的等效电容如何表示?
录入:edatop.com 阅读:

V1到地的总电容怎么等效呢?
如果没有理解错小编的意思的话,先把C2和R2之路从串联转换为并联,然后再加上C1就是总电容了吧。
如何把C2和R2之路从串联转换为并联呢?恕小弟才疏学浅,不懂如何转换,望指教
把总的电路等效为一个电阻和一个电容的并联,换句话说,把导纳表达式写出来,看虚部相当于的电容值。
2楼提到的方法,如果理解不错,好像只有在特定频率才好转换。
谢谢4楼指正。
不知有没有用,以下是串并联转换方法,仅供参考。
http://wcalc.sourceforge.net/cgi-bin/parallel_rc.cgi
http://wcalc.sourceforge.net/cgi-bin/parallel_rc.cgi,nice
谢谢各位
如果是在特定频率下完全适用,也是RF设计时常用的方法。其实还是不太确定LZ想基于什么应用环境去谈等效电容问题。
受教了
nb!
申明:网友回复良莠不齐,仅供参考。如需专业解答,请学习本站推出的微波射频专业培训课程。

