运放极点分析求助!
录入:edatop.com 阅读:

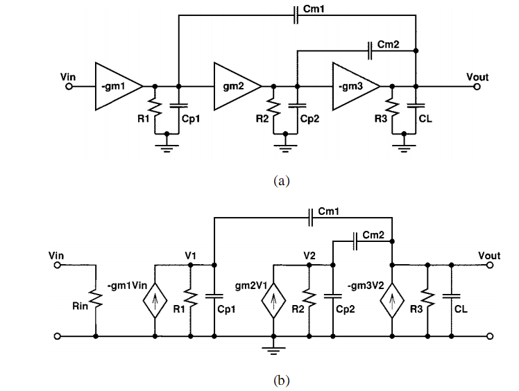
三级NMC补偿的图,以及小信号等效电路,论文中给出的传输函数为

主极点在V1那个点,为1/cm1gm2gm3R1R2R3,我分析的是p3=1/gm3R3cm2R2为V2那个节点,p2=1/R3CL为输出节点
但是由论文给出的传输函数分析,p2=gm3/CL,p3=gm2/cm2,请问该怎么分析
有点疑义,先假设Cm1>>Cm2;
p1=1/cm1gm2gm3R1R2R3,
然后cm1短路,
p2'=1/R2gm3R3Cm2,Av23=gm2gm3R2R3;
p2=p2'Av23=gm2/Cm2;
然后cm2短路,
p3=gm3/CL
谢谢回复
p2'=1/R2gm3R3Cm2, Av23=gm2gm3R2R3;
p2=p2'Av23=gm2/Cm2;---------------------p2'到p2的这个过程乘了第二级和第三级的增益,不清楚为什么,如果说考虑cm2的影响,不是在估算p2'的时候就已经把米勒效应考虑进去了吗?
然后cm2短路,
p3=gm3/C---------------------------这里cm2短路的话,第三级的小信号电流源应该是等效为了一个大小为1/gm3的电阻,所以第三个极点值得到这个结果吧,不过为什么分析零级点的时候要把cm1和cm2短路呢?是因为高频时,cm1,cm2的阻抗近似为0吗?
近似考虑,r=R//1/sC,当频率远大于1/RC时候,r很小,近似短路
所以在分析完低频的极点之后可以假设短路再去分析下一个极点
p2'到p2是开环到单位闭环反馈pole的变化,p2'已经考虑miller效果了
近似考虑就需要大胆的假设和省略简化
Gray的书上有详解。
申明:网友回复良莠不齐,仅供参考。如需专业解答,请学习本站推出的微波射频专业培训课程。

