此运放的级数如何判断?

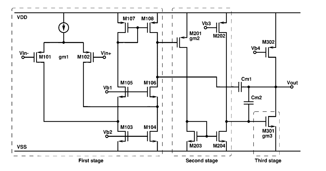
如图所示,图中清晰标出了此运放的三级,问题如下
1.由M201和M203组成的应该是带mos2级管负载的共源级,这一条支路也算是增益级吧,这两个mos管的作用是什么?为什么不直接将输入级的输出接到M204的栅极?(电平移位应该用源级跟随器吧)
2.我觉得M201和M203组成的这条支路应该算是运放的另一级,也就是说这是四级运放,因为这条支路也对电路整体增益有贡献,但是应该不对,为什么?
还一个别的问题。稳定系统下,开环单位增益带宽等于闭环系统的3db带宽,那么这么说的话,开环频率响应的主极点低一点就不重要了,只要开环频响相位裕度足够,单位增益带宽够大就可以了,是这样吗?
这是一种典型的三级运放NMC补偿方式,M201和M203作用是产生180度相位偏差
请问特地的产生180度相位变化的原因是什么?
否则CM1补偿环路构成一个正反馈
我的运放多加了那一条支路后,成功的应用了米勒补偿,可是碰到了几个问题,1 在负载为100pf情况下,补偿的Cm1约为36p,这个太大了吧,版图根本不可能画这么大的?根据公式,要想降低补偿电容就只有降低输入级的跨导和提高输出级的跨导,老师说几个pf的电容就已经非常大了,感觉再怎么调整也不可能能到几个pf值吧。
2 补偿后开环频率响应3db带宽非常小,只有十几hz吧,老师说我这个3db带宽太小了,可是运放一般应用于闭环,闭环增益的3db带宽应该和开环的单位增益有关,所以这个3db带宽不重要?3q
三森的那本书说了,只有高阻抗的节点才能算的上一级
1 可以换一种补偿,NMC很弱的2 当然是考虑单位增益带宽的
是,我也是这么觉得的,但是如果书上没有的话总是不能确定
恩,我看的论文时间太早了,技术不给力。
增益是有四级吧
学习学习
你好,请问你能不能给我推荐一篇,三级运放频率补偿的,比NMC要好的,英文中文都可以。谢谢
1 论坛里面很多三级运放补偿的文章,在负载电容比较大推荐AFFC方式2 NMC方式GM3比GM1大的越多,补偿电容可以取的越小
找资料挺花时间的,现在时间比较紧张,而且affc的方式我完全不了解可能要看好几篇文献才能发现一篇不错的,如果可以的话能否直接推荐一篇文章给我,有名字就可以了
Active-Feedback Frequency-Compensation Technique for Low-Power Multistage Amplifiers
3q
M203和M204可以看做电流镜吧,1:B的话第二级增益可以提高B倍,参考一下那种对称式运放的结构;
按高阻节点 来看,我觉得还是看成3级的好。
仅供参考

不可能做到完全匹配,只能降低mismatch,文章后面有介绍相应技术吧
恩,多谢了,你给我推荐的文章很好,不过我的运放输出ab类的,好像用不上这个技术,3q
申明:网友回复良莠不齐,仅供参考。如需专业解答,请学习本站推出的微波射频专业培训课程。

