反激变换器clampless技术原理?
录入:edatop.com 阅读:
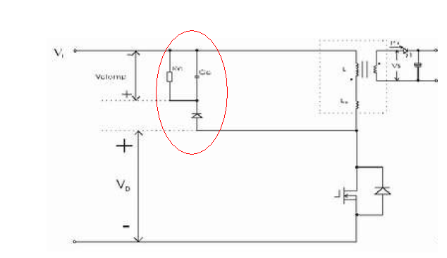
由于变压器漏感的存在及其它分布参数的影响,反激变换器(flyback)在开关管关断瞬间会产生很大的尖峰电压;RCD钳位法(resistor, capacitor, diode 也叫 snubber电路)是抑制这个尖峰电压的常用方法。
可是最近看到PI的INK362芯片的datasheet,可以省去RCD电路,这是因为在芯片内部做了一些处理,还是在版级电路上有考究呢?很想知道这是为什么,恳请大侠告知!
这是datasheet的截图,datasheet在附件中
lnk362-364.pdf (783.89 KB)
可是最近看到PI的INK362芯片的datasheet,可以省去RCD电路,这是因为在芯片内部做了一些处理,还是在版级电路上有考究呢?很想知道这是为什么,恳请大侠告知!
这是datasheet的截图,datasheet在附件中
lnk362-364.pdf (783.89 KB)
申明:网友回复良莠不齐,仅供参考。如需专业解答,请学习本站推出的微波射频专业培训课程。
上一篇:知道运放的建立周期怎么算单位增益带宽
下一篇:菜鸟求教spectre仿真问题?!

