在高度对称的差分对电路里,也隐藏着一种不对称性。
录入:edatop.com 阅读:
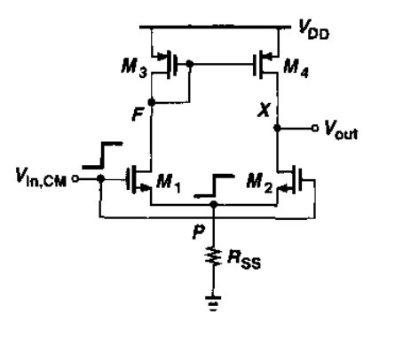
下图是拉扎维的截图,大家都能看懂

假设M3M4相等,M1M2相等,输入端短接。测出共模增益随频率的变化后就会发现,X点和F点的增益在高频时显著不同,因为X点有一个零点,是由于另一条支路在高频时“不给力”后所造成的。看下图

真的是很神奇啊,这么对称的电路里,还有这样一种默默无闻的不对称性,让人回味无穷。

假设M3M4相等,M1M2相等,输入端短接。测出共模增益随频率的变化后就会发现,X点和F点的增益在高频时显著不同,因为X点有一个零点,是由于另一条支路在高频时“不给力”后所造成的。看下图

真的是很神奇啊,这么对称的电路里,还有这样一种默默无闻的不对称性,让人回味无穷。
这个又不是全差分,哪儿是高度对称啊。
这有啥好回味无穷的,你是自个在YY吧?
小编意思是低频下是完全对称的吧
什么玩意儿!
请问零点怎么来的?
您这个确实不是全对称的结构啊
lz,您是在耍我们么……
这在低频也不对称吧,明显的伪差分
有点回味的意思
坑爹呐
同问
对呀,我又没说差模输入。他们理解错了。
共模输入啊,我没说差模输入
共模输入啊,我没说差模输入
即使在共模也不能算是对称的,因为F点接了M1,3,4三个电容的寄生电容,尤其是PMOS M3,M4本身尺寸就会比较大,而X点只接了M2跟M4的寄生电容,所以即使是共模AC分析时,也相当于F点接了大电容到地,而X接了小电容到地,故F点在高频的时候增益会下降很快!
小编的头像是深大的校徽么?
什么是差分?什么是对称?值得回味。
申明:网友回复良莠不齐,仅供参考。如需专业解答,请学习本站推出的微波射频专业培训课程。

