求大牛指导下,对于pnoise仿真的问题
录入:edatop.com 阅读:
对于周期电路,比如开关电容电路的噪声分析,是不是要做pnoise仿真啊?在这之前要进行pss的仿真确定基波频率下的工作点吗》?
顶一下啊
顶一下
顶一下
不是大牛,菜鸟飘过 pnoise仿真要先仿pss吧
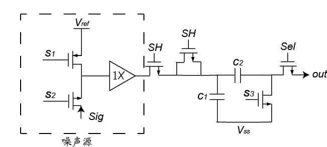
我在仿一个开关电容的相关双采样电路,好头疼,电路图如下:
申明:网友回复良莠不齐,仅供参考。如需专业解答,请学习本站推出的微波射频专业培训课程。
上一篇:寻找mmsim7.2左右的版本下载连接
下一篇:Cadence port

