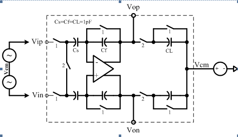
全差分开关电容运放设计
录入:edatop.com 阅读:

指标:
1.
负载:正负输出端上各接1pF电容; 2.
差分放大器输入共模电压:0.9V
3.
差分放大器差模输入范围:2V Vpp(定义为Full Scale)
4.
差分输入2V阶跃信号时,静态建立误差 < 0.05%
5.
差分放大器工作频率 > 100MS/s
6.
差分放大器动态建立误差 < 0.05% (2V input step response)
7.
差分放大器输出THD > 70dB (-1dBFS input level, fin~=10MHz)
8.
差分放大器输出SNR > 70dB (-1dBFS input level, fin~=10MHz).
运放要求:
a)
建立仿真模型,并用于开关电容放大器的仿真;
b)
管级电路,需包含完整的共模反馈电路;
c)
管级电路,需包含偏置电流产生电路(从Ib=50uA产生)。
现在对指标分析THD,SNR不知道怎么计算,还有就是运放的建模仿真怎么做啊?是用受控源吗?还是用VERILOGA?
本人刚学习模大,望各位高人给予指点,希望能对各个指标计算进行分析,运放怎么建模分析,多谢~!
自己先顶一个~
这个怎么放上这里了?这模大。还是自己慢慢搞吧。
搞死搞残啊~
根据要求推出运放的DC GAIN/ UGBW
申明:网友回复良莠不齐,仅供参考。如需专业解答,请学习本站推出的微波射频专业培训课程。
上一篇:怎样用hspice测量功耗?
下一篇:ADC的IMD能仿真出来么?

