带隙基准源 hspice 仿真
录入:edatop.com 阅读:
请删除此贴!

建议先跑下tran,貌似直流工作点未建立起来
先要手算,直流工作点
什么意思?是新手 不太懂 根据阻值 以及虚短等 感觉应该得到带隙电压 但是得不到 是不是电路运算放大器部分有问题呢? Vref=Veb2+(R2/R1)Vt ln(R2 Ae1/R3 Ae2) 8.5Kohm 8.5kohm 1kohm 还请指点
我里面加入.op了 还是不对啊
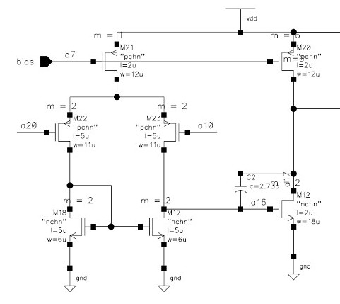
小编你的运放有没有单独仿真过?你检查下运放的第二级,上管的电流与下管的电流明显的不匹配!也就是说运放输入相等时,运放都不工作在放大区。
运放的正负输入对掉下,或将M11换成PMOS
先看看DC 好着没有
上管的电流与下管的电流明显的不匹配 哪部分啊?

这个是两级运放 再右上方的两个管子就看不懂啊 起什么作用
额....我就这么说吧,你就把你的M12管的W/L改为6u/5u M设为4。你再跑你的基准试试,估计就可以工作了。另外你用DC扫电源电压VDD的时候,bias点的电压怎么能固定呢?
把R4改成1000*85K,你的阻值弄错了,导致输出偏低
申明:网友回复良莠不齐,仅供参考。如需专业解答,请学习本站推出的微波射频专业培训课程。

