pipelineadc 前端采样保持电路 求助
录入:edatop.com 阅读:
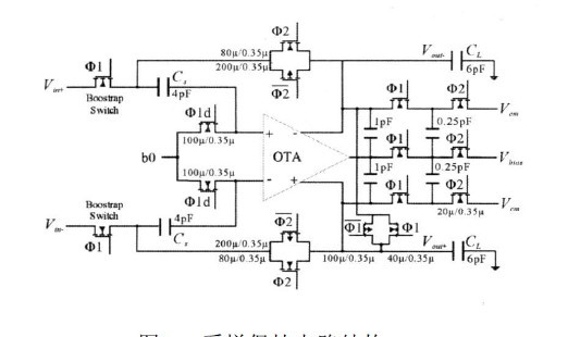
最近设计了一个pipelineadc的前端采样电路,原理图如下,尺寸不是图上面的数据,运放采用SC-CMFB的foldedcasecode的增益自举结构,运放的指标为110db,570M,PM=61,采样电路的值为1.2p,负载1.2p,正负输入分别为1V,amp 0.4,1M和1V,amp -0.4 1M频率的正弦信号,其中该电路在采样阶段的时候能够很好的跟随输入变化,但是在保持阶段的时候无法把差分输入有效放大到原来的1倍,也就是差分输出0.8V, 实际的值是0.773V左右,我想问的是造成这个误差的可能原因是什么,其中运放的输入电容较大,大概为0.4pf.
奇怪,检查一下线路的连接,看看有什么问题,
申明:网友回复良莠不齐,仅供参考。如需专业解答,请学习本站推出的微波射频专业培训课程。

