dynamic comparator 求助
录入:edatop.com 阅读:
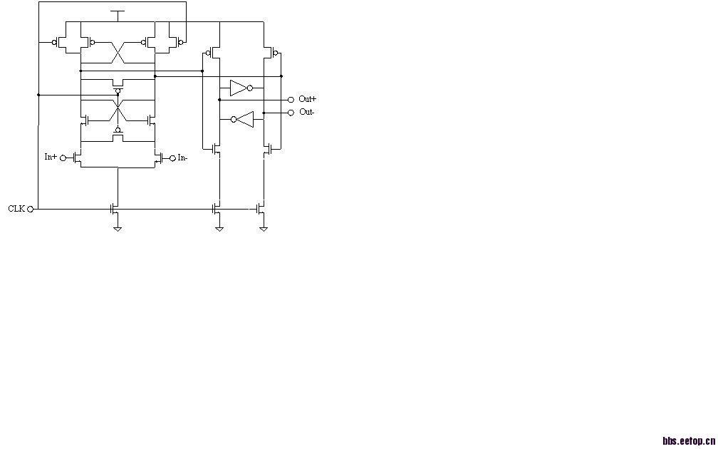
上图是一个动态比较器,不知道大家有没有办法提高sensitivity。
它工作在1GHZ,1.2V。
测试出来的结果VIH=628, VIL=578.
对管的大小为24/0.1, 90nmCMOS工艺。
1GHz呀,这个动态比较器带宽可以达到吗?如果带宽满足的话,考虑加一个前期放大级试试?
因为前置放大器消耗的电流有点大,我的芯片一共用了33个这样的动态比较器。如果加前置放大器的话,功耗接受不了。
大家有没有好一些的结构,谢谢。
申明:网友回复良莠不齐,仅供参考。如需专业解答,请学习本站推出的微波射频专业培训课程。

