信噪比问题~~~~~~~~~~~~~~~~!
录入:edatop.com 阅读:
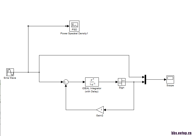
一阶sigma-delta ADC仿真,我怎么直接测信号出来的信噪比就为负值啊?这样往后不管怎么样,出来的值都是负数啊,求解决




等待大侠解释
psd窗应该放在输出吧,咋放输入端
是的,因为我放在输出出来的结果很负,所以我怕合计放在输出会是个什么结果,但是仍然很负申明:网友回复良莠不齐,仅供参考。如需专业解答,请学习本站推出的微波射频专业培训课程。

