Soft-Start of Error Amplifier ?
录入:edatop.com 阅读:
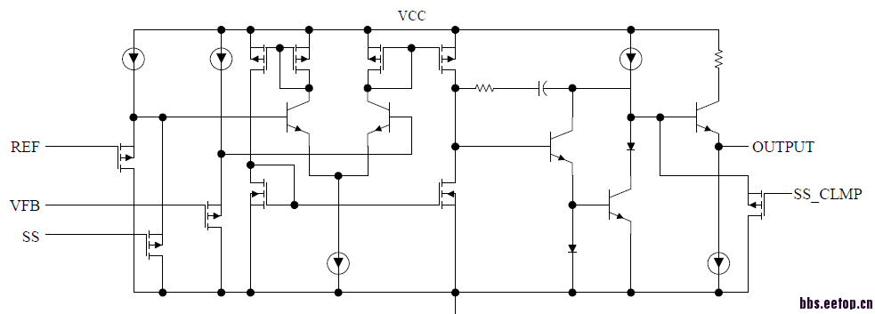
电路图在这:
http://sornsbydesign.webs.com/Amp_spec_example.pdf

有人了解底下这句话的意思吗?
"The PMOS transistor connected to the soft start(SS) input is sized slightly larger then the other PMOS buffers to provide for60mV of offset. This insures that the output voltage will remain below theminimum ramp level prior to the system powering up."
60mV 是怎么定义的?
为何这样就能使得 output voltage 在 min. ramp level 以下?
这是用在 Switching Power Converter 的电路吗?
出处是哪?专利?paper?还是?
有全文吗。
Here you are.
http://sornsbydesign.webs.com/Amp_spec_example.pdf
Here you are.
http://sornsbydesign.webs.com/Amp_spec_example.pdf
系统失调电压VOS
这是通过故意设置不同的W,引起输入电压的失调。
请问"引起输入电压的失调"有何好处?
一般而言,應該要降低失调电压吧?
申明:网友回复良莠不齐,仅供参考。如需专业解答,请学习本站推出的微波射频专业培训课程。

