请教如何调比较器啊?
录入:edatop.com 阅读:
如题,有哪些原则?



要求用什么工艺实现?这个和最后的功耗关系很大
0.25的5v
0.25的5v?
那就是普通的5V工艺啊!
和0.35 的5V,0.5 的5V的工艺参数差别不大。
延时4ns 要求不是很高latch的输出负载Cap要求是?应该不会很大,1pF以内?
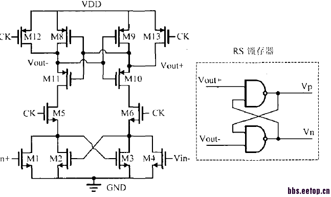
我想问的是关键调哪些管子,上图中的比较器无论怎么调都达不到好的性能
申明:网友回复良莠不齐,仅供参考。如需专业解答,请学习本站推出的微波射频专业培训课程。
上一篇:测试Cgs求助,谢谢
下一篇:阈值电压在哪看啦

