关于一个单位增益缓冲器直流偏置的问题

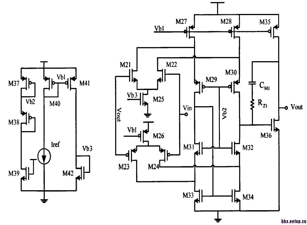
这个电路和拉扎维的书上的9.7输入范围限制一张的电路基本一样,只不过把Vout与Vin-相接了。
我的问题是:M33和M34的偏置接在M31和M29的漏断的原因只是为了节省一个偏置电压产生还是有其他的作用?
能不能接在M39的漏断呢?
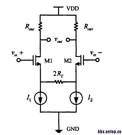
双端差分输入转单端输出。
M29和M31为什么用的是同一个Vb2呢?一般是用两个不同的偏置
我验证了一下,确实如你所说,我想了一下原理,(记M31的漏端电压为Vo1,M2的漏端电压为Vo2)从直观上来说,当Vo1升高的同时时,Vo2下降,此时M33,M34的栅压被太高,使得M34的漏端电压下降,从而进一步拉低Vo1。从而在转单端输出的过程中得到比单纯的单端输出更高的增益。
不知道我这种解释是否合理。
另外我前几天就在思考如何对差分放大器进行单端输出,但一直没找到一个好的办法。所以我想再进一步问一下更普遍的双端输入转单端输出的方式,举两个很简单的差分放大电路,问如何对它们进行单端输出,同时能得到较好的效果。
[attach]517385[/attach]
[attach]517386[/attach]
抱歉,图片没弄好,补上:
[attach]517387[/attach]

你基础很好,不过你的vo1vo2还有一些标号搞错了。
电流镜负载,你看看拉扎维第五章
可能是电源电压比较低吧
哦,写完忘了检查了,这习惯不太好。我意思是:Vo2表示的是M32的漏端,而非M2,Vo1表示M31的漏端
哦,是的,基础还是不够扎实啊!
你很有潜力!别谦虚了哈。复旦就没有叫做菜鸟的研究生!加油吧孩子
我感觉jxjxhwx的回答应该是很有道理的。这个电路的电源电压为1.8V或2V,阈值电压约为0.75V,如果过驱动电压为0.25V左右时,可以得到这两个偏置电压比较接近。另外这个电路用于实现单位增益缓冲,开环增益不要求最高,这种接法可以节省偏置产生电路的开支。
谢谢鼓励啊,这可是前辈对我们晚生的鼓励啊!
我也就菜鸟一枚,电子科大的,和你的基础功底还是差一大截!
我得到的只是一个更适合学习的环境,最后学得怎么样还得靠自己的努力。从你的帖子中我看出你这方面的书读得真不少啊,而我才开始拿起电路来思考,在这条路上,你已经比我走得远了很多了,而且你还是这么爱学习,让我觉得你挺励志的,也觉得你必定前途无量!向你学习!
让我们一起想大牛学习吧!加油!
8#说的对,M33 M34是作为一个电流镜负载,如果接成固定偏置的话,你仿真一下就知道了,输出不是天就是地了。像这种套筒结构的,要不上面是电流镜,要不下面是电流镜。
至于双转单,最简单不过的办法就是再接一个5管差分放大器,电流镜负载单端输出。或者为了摆幅大一点,用个7管差分放大器。
嗯,谢谢。
申明:网友回复良莠不齐,仅供参考。如需专业解答,请学习本站推出的微波射频专业培训课程。
上一篇:阈值电压在哪看啦
下一篇:请教SD toolbox里的PSD模块sampling Frequence; 如何设置?

