运放的建立时间问题求助
录入:edatop.com 阅读:
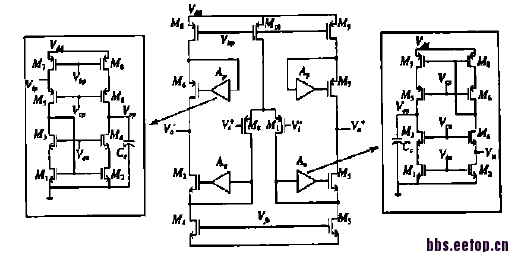
我的电路时这个样子的
,仿真出来在负载1pf的情况下,增益110dB,单位增益带宽700MHz,功耗8.1mW,输入差分对管每个电流1.5mA,后面输出部分1mA多,,辅助运放支路的电流100uA左右,我仿真出来以后建立时间有点太慢,哪位大神帮忙看看是不是我电流有点小了,我想让建立快一点,最多5ns。但是我试过增加电流以后效果不明显,想问一下增加电流的话是增加主运放还是辅助运放的,具体应该增加多少,增加哪部分的效果明显点。
。还有个问题就是全差分运放瞬态仿真建立时间是是测试的单端的Vout1还是Vout1-Vout2啊。
,仿真出来在负载1pf的情况下,增益110dB,单位增益带宽700MHz,功耗8.1mW,输入差分对管每个电流1.5mA,后面输出部分1mA多,,辅助运放支路的电流100uA左右,我仿真出来以后建立时间有点太慢,哪位大神帮忙看看是不是我电流有点小了,我想让建立快一点,最多5ns。但是我试过增加电流以后效果不明显,想问一下增加电流的话是增加主运放还是辅助运放的,具体应该增加多少,增加哪部分的效果明显点。
。还有个问题就是全差分运放瞬态仿真建立时间是是测试的单端的Vout1还是Vout1-Vout2啊。
你的beta*GBW是多少,n booster的GBW,PM是多少
β是反馈系数吗?我上面的带宽和增益都是开换下测得,反馈系数怎么算呢,还有就是AN的带宽478MHz,相位裕度42,AP带宽390M,相位裕度58.
主运放的环路PM大于70,
AN的GBW>主运放的beta*GBW,并且PM>70
申明:网友回复良莠不齐,仅供参考。如需专业解答,请学习本站推出的微波射频专业培训课程。
上一篇:求助:ams仿真出错
下一篇:仿真过程cadence自动退出

