问下cadence里面怎么调器件的传输延迟时间?
录入:edatop.com 阅读:
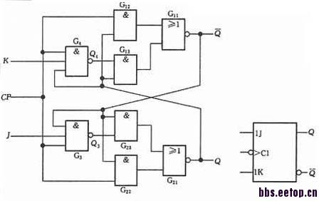
要仿真一个 利用门电路传输传输延迟时间的边沿jk触发器 不知道怎么调传输延迟时间
还要弱弱的问一下宽长比怎么算的来着,忘记了。


求助。谢啦~
还要弱弱的问一下宽长比怎么算的来着,忘记了。


求助。谢啦~
申明:网友回复良莠不齐,仅供参考。如需专业解答,请学习本站推出的微波射频专业培训课程。

