拉扎维 第七章 噪声 共栅极
录入:edatop.com 阅读:
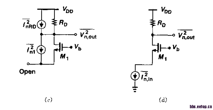
拉扎维书上189页



请各位大神帮助解答一下,小弟先谢谢了



请各位大神帮助解答一下,小弟先谢谢了
这不是写的已经很清楚了吗
问一下,为什么最后一个图中没有考虑M1的噪声。
申明:网友回复良莠不齐,仅供参考。如需专业解答,请学习本站推出的微波射频专业培训课程。

