LDO方面知识求助。
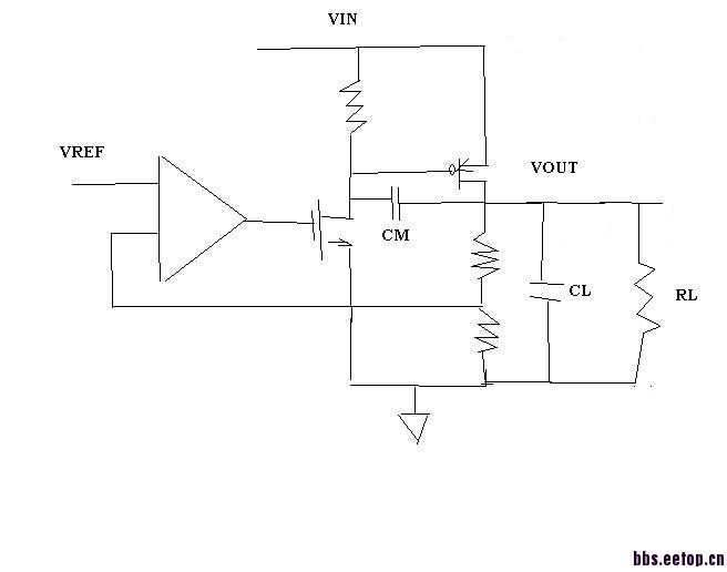
大家好。我急需一些关于高压输出(可设置6-40V)驱动大电流LDO,请问有相关资料可以共享吗?主要难点是零极点以及PMOS 如何驱动 VGS〈5v,loading电流大小通过NMOS下拉电流通过1KHOMS电阻产生VGS来调节。如附件所示!

pmos 外置PMOS。输出电流0-几百毫安
系统的构架你已确定?
LDO driver
架构有点奇特
这个架构有问题吗?请指教?
你是什么工艺?纯MOS工艺吗?准备用在什么地方?
厄,这个电路画的太。
大家看看我画的这个是不是一样的,我这样画大家都该知道是什么结构了吧?
没有错哦。 那只PMOS是外部MOS gm 非常大。输出大电流时达到1A/V。请教下如何调这个电路稳定性。
当轻负载时候。 输出极点与PMOSgate的那点极点非常接近。gm大概10mA/V,mill 补偿不明显。 两个极点非常靠近! 不知道如何补偿。mill 电容:220n Cout100n RL:10K p1: 1kohms*220n*10mA/V*10kohms
P2 =330nf*10Kohms 该3级gain 也不低。
你的给我们看看整个电路,尤其第一级是怎么样的,如果你第一级的gain比较大,这个的补偿可能是真不行的。
你描述的感觉还不是很清楚。我看你的参数只能猜测:
Cm也是外接的。不是片上集成的?
道理上讲,这种补偿轻重负载是会有个主极点的切换过程,很轻的负载时,应该是输出电容为主pole。重载是米勒效应显著,输出等效
电阻减小,主极点在内部。
按理,这种结构两头都是好调的,反而是不大不小负载很容易出问题。
你这个结构,有两个地方要再想想
1、米勒电容 220nF,这么大的电容,米勒补偿中的右半平面零点,该怎么处理。
2、外接mos的栅电容比较大,而且存在mos管不同选型的问题,栅电容带来的pole可能会在一个大的范围变动,这个也比较麻烦。
所以第一级的结构很重要,最好show出来给大家看看。
另外这个LDO的BW应该会很小,瞬态响应应该会比较差。
还有,
1kohms*220n*10mA/V*10kohms
这个计算不一定对,取决于你给这一级多大的电流,电流很大的情况下,nmos等效的输出阻抗可能是小于1K的
以上只是猜测,LDO的讨论最好应用范围和想要达到的指标和电路都有个大概。
Cm上面再串联一个电阻,R1的两端并联电容,这样的拓扑可否?

1kohms*220n*10mA/V*10kohms
这个计算gm是根据这个管子流过1mA的电流时的gm。 该PMOS的RDS我认为比较大,输出阻抗是RDS//ROUT。所以以Rout近似。
谢谢你的回复/ 第一级以及补偿是我正要设置的。外围应用是固定的!
申明:网友回复良莠不齐,仅供参考。如需专业解答,请学习本站推出的微波射频专业培训课程。

