输入轨对轨运放中的summing circuit
录入:edatop.com 阅读:
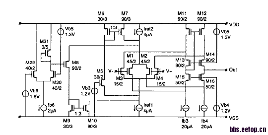
最近在看一篇输入轨对轨的运放,在讲到输入级的时候,有这样一个电路图,我文献上说The current mirror, M11 - M14, together with the folded cascodes, M15 - M16, form a summing circuit.我想问一下这里的summing circuit是指求和电路吗?感觉有点奇怪的说。而且这一小部分电路(指M11-M16这部分电路)是起到什么作用?请高手解答一下,谢谢了
,
,
M11-M16构成了双端转单端的过程,summing是指你在分析交流信号时,会发现,在输出端交流信号是相加的
嗯,谢谢了,我懂了,主要是因为构成了一个电流镜的关系。
不错啊 呵呵
看讨论和解答增长见识!
申明:网友回复良莠不齐,仅供参考。如需专业解答,请学习本站推出的微波射频专业培训课程。
上一篇:运放瞬态仿真波形变粗
下一篇:求助有电阻和没电阻对充放电的影响~~~~

