请教一个PLL charge pump问题

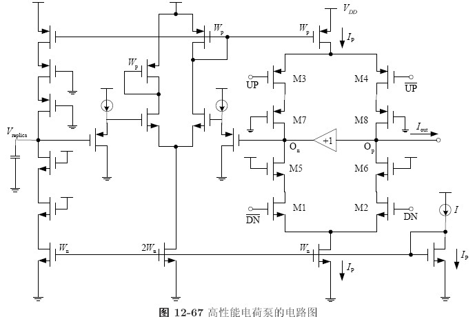
如图的cp电路,右半边是cp core电路,左边是一个Replica Bias Loop,请问这个Replica Bias Loop是怎么工作的,让充放电电流匹配的?
通过op建立起负反馈
使得ip=in
2# lyly
the 5 transistors in the middle form a difference amplifier to compare On and Vreplica and force Ip to match In.
为什么Vreplica=On时,可以force Ip to match In呢?谢谢
学习一下
哪位大牛解释一下啊
哪位大牛解释一下啊
不是很懂,求高手
using negative feedback to force currents to be the same
左边的replica相当于差分输入差分输出的放大器,通过接成跟随器形式,使输出两路电压都相等,并且随输入电压而改变。如此,在输入电压变化从而改变Ip电流管的漏极时能同时改变栅极电压从而使上下电流匹配
PS:请问能提供这个电路图的出处吗?多谢
10# alvays
清华池保勇的《射频集成电路分析与设计》
10# alvays
另外问一下,这个电路适合1.2V的电源电压吗?谢谢
12# xftang
我觉得还可以。最多的也就是三级cascode叠加,串的很多的都是做开关用,不占用电压范围
louzhuyakexi
好帖,池保勇的书上并没有引用参考,看来这是池老师设计的电路了,牛
也就是说通过负反馈使最左边的Vreplice和最右边的Op节点的电势相等,如果匹配为理想,那么必然会有P电流源恒等于N电流源
此电路可以用于90nm~130nm的1.2V电源
其实对于多数PLL来说,没有必要使用此结构,通常不是最优的最好,只有最适合的最好。
直接采用 OPA 使得 Ip=In,不是更為方便?
support #9
ding!
求解释
这个应该是ieee circuits and systems2007年的电路吧,这个电流就是经典的电流舵电路,静态匹配很好,动态匹配也非常好,速度很快,功耗中等 这个电路很好用,感觉重点要设计左边的钳位运放和单位增益运放,你画的电路有点问题 第一是钳位运放的增益太低,不能实现良好的静态匹配和动态匹配,第二就是这个运放的补偿,一般不用这种负载补偿的方式,用得较多的是弥勒补偿。 单位增益运放的GBW和直流增益大下很重要,gbw的值应该大于参考信号的值
只是只我的理解,欢迎讨论
这个应该是ieee circuits and systems2007年的电路吧,这个电流就是经典的电流舵电路,静态匹配很好,动态匹配也非常好,速度很快,功耗中等 这个电路很好用,感觉重点要设计左边的钳位运放和单位增益运放,你画的电路有点问题 第一是钳位运放的增益太低,不能实现良好的静态匹配和动态匹配,第二就是这个运放的补偿,一般不用这种负载补偿的方式,用得较多的是弥勒补偿。 单位增益运放的GBW和直流增益大下很重要,gbw的值应该大于参考信号的值
只是只我的理解,欢迎讨论
学习一下。
这是Thomas Lee在ISSCC2001年发表的WLAN收发机里用到的电荷泵,杂散非常小,原理我还在摸索,感觉左边那个钳位运放增益太低了起不到多少作用啊,另外这个单位增益跟随器的设计比较模糊,是否该用轨到轨输入运放呢,运放电流跟电荷泵电流有啥关系没,增益带宽怎么个取法呢 哪位大牛讲讲
申明:网友回复良莠不齐,仅供参考。如需专业解答,请学习本站推出的微波射频专业培训课程。

