求助折叠CASCODE的PSRR问题
录入:edatop.com 阅读:
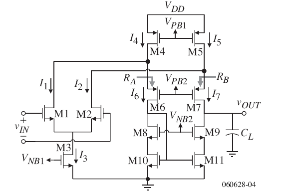
这是折叠cascode的电路,allen的书上说,负电源纹波直接传送到M3、M8、M9、M10、M11的栅极,正电源通过M4、M5、M6、M7、M13、M14注入,哪位高手能帮忙分析一下吗?
小编理解一下吧。
没有allen的实力,也没时间啊。
请问,M13,M14在哪里?
正在研究中~
请问在allen书上的哪一页讲了这个问题?
谢谢
这个图只有正电源啊
恒流偏置的接成diode的mos管,其source端的ac直接couple到gate端。这是分析psrr的一个简单推论
mos的输入端是vgs,所以从vs端影响vgs和从vg端影响vgs有区别吗!对噪声来说。
求大神指导呀?感觉psrr太乱了 能直观的讲讲吗
申明:网友回复良莠不齐,仅供参考。如需专业解答,请学习本站推出的微波射频专业培训课程。
上一篇:菜鸟 急求解答 急急急
下一篇:求助:双栅MOS管高频放大电路

