求解答一个很简单的AB class输出级
如图,我想请问一下,A,B端输入的电压有什么要求?是要基本上一样的吗?
你可以仔细去看看这个电路的原理图.实际上AB两点的电压是要求有一个差值的,目的是让N管和P管有一个交越的过程,即从状态一(N管饱和,P管线性)到状态二(P管饱和,N管线性)变化的过程. 差值的电压将决定电路的输出极静态电流的大小.
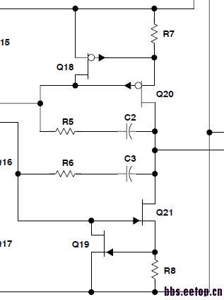
嗯,其实我原来也是这样想的,因为和BJT的电路对应。但我看了一篇英文文档,里面他的最终电路图是这样的
这个电压差不是一个必须的值. 如果你能够保证该电压为零的条件下依然工作正常,那么就没有问题. 比如说,输出管用耗尽型的管子,那么AB两点直接连接就是可以的
哦,原来是这样的,好的,我会试试自己去分析的,谢谢
对于交流信号来说 AB 应该完全一致 ;对于直流信号可以有个差,也可以相同,这主要是考虑线性度问题
敢问,是需要用大信号进行分析好点?一般电压放大倍数能到多少的?
正在和负反馈纠缠:
1)Q18,Q19的存在可以使Q20,Q21漏端的输出电阻提高,增加增益;
2)Q18,Q19使A,B点看进去的小信号电阻减小,增益减小;
3)Q18,Q19是保护电路,平时不导通,不工作,1)2)无效,大电流时负责关断Q20,Q21;
这里关键的不是看电压增益,是对负载的所能提供的最大PUSH/PULL电流
嗯,谢谢楼上的2位前辈,我总结一下2位说的,Q18,19平时是不导通的,Q20,21决定了输出电流的能力大小。我这样想有问题吗?还有想问问,当电流过大的时候,Q18,19导通,A或B点是会流进或流出电流,Q20,21截止,为了保护Q20,21,是这样吗?
应该是这样的,否则前级到A,B点的增益会降低,如果那两个管子平时也工作,A,B点的电阻约为1/gm。
浮动电荷池?or 跨导线性环?
谢谢!
申明:网友回复良莠不齐,仅供参考。如需专业解答,请学习本站推出的微波射频专业培训课程。

