求教一个频率补偿电路的名称
录入:edatop.com 阅读:
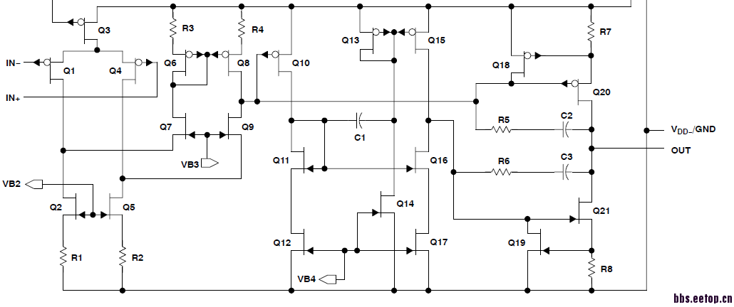
,RT,请问这个电路用的补偿结构的名称是什么?我想在网上找找这种结构的资料,请大神们告诉我一下
没有人知道吗?
diff input. class ab output, miller comp.
curious why c1 is there at the low imped node.
ClassAB output

所以这个算是 SMCNR的三级结构?
申明:网友回复良莠不齐,仅供参考。如需专业解答,请学习本站推出的微波射频专业培训课程。
上一篇:有关采样保持电路输出瞬态响应问题!
下一篇:spectre仿真model问题

