问一个关于MDAC的问题
录入:edatop.com 阅读:
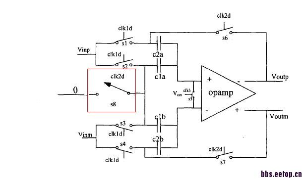
MDAC如图所示,用理想开关没问题,但是我把红框中的开关换成CMOS开关就完全不对了,用栅压自举开关波形稍微好一点,但是输出也不对,这个可能是什么原因呢

回复 9# California
电路就是这样了,运放是理想运放,开关是理想开关,就换了一个而已
第一个图是全用理想开关的图,红色是输出,等于2*400mv-200mv=600mv,第二张图是换了一个栅压自举开关的电路图,输出已经到几百伏了
换成传输门
你说的是CMOS传输门吗?一个N管加一个P管?
en
不行啊,我试过完全不对了
电路图中一处连接的问题:
c1a & c1b下极板直接“shorted”,然后连到s8?
-->c1a & c1b下极板应该分别要加一个sw,然后再连接到vcm.
(PS:你的示意图应该是想表达MDAC *2这个功能,
实际c1a & c1b需要根据sub-adc来选择vrp/vrn/vcm)
不知道是电路图示意的问题,还是实际电路就是这样连接呢?
你不是说加栅压自举会好些吗,那我觉得是开关特性不行,传输门要互补时钟的你别接错了?
可能是画得不太对,接法应该没问题,我用理想开关仿真过的
现在是否可以正常work?如果方便,可以贴上schematic来讨论哈?


回复 9# California 电路就是这样了,运放是理想运放,开关是理想开关,就换了一个而已
第一个图是全用理想开关的图,红色是输出,等于2*400mv-200mv=600mv,第二张图是换了一个栅压自举开关的电路图,输出已经到几百伏了
运放负断缺少一个sampling/reset switch.
怎么没看到opa负输入端的开关?没那个开关,这个节点的电荷怎么办?稍微有点电荷存在上面就没法流走。
谢谢,顺便问下这个开关什么时候打开?
负输入端少一个开关
谢谢,现在加上了。不过又出来别的问题,输出少了200mv,哎~
申明:网友回复良莠不齐,仅供参考。如需专业解答,请学习本站推出的微波射频专业培训课程。
上一篇:谁设计过全差分折叠共源共栅放大器
下一篇:带阻抗匹配的滤波器设计软件

