关于非理想sigma delta调制器的建模
录入:edatop.com 阅读:
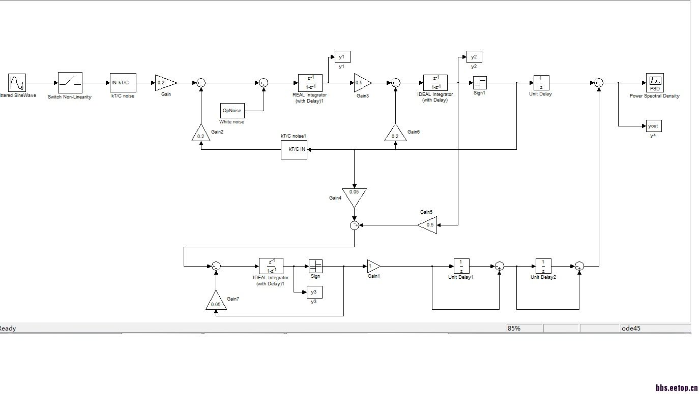
做的sigma delta 调制 中间的KT/C噪声建模的时候 按SDtoolbox中的模块搭的 结果采样电容要到nF级 SNR才能满足 怎么破。
指标是多少,是不是你的白噪声源的seed都一样,噪声相关了
能放上建模后的图吗?
信号幅度0.5 理想的时候117db左右 想加入KT/C噪声后 到110db seed确实不相关 只有一个KT/C的噪声源时 指标也不怎么样 8pf的时候 大约就103db 左右

申明:网友回复良莠不齐,仅供参考。如需专业解答,请学习本站推出的微波射频专业培训课程。
上一篇:上混频器的差分输出问题
下一篇:smic verilogams电阻仿真

