关于一个固定增益放大器的补偿电容的问题
录入:edatop.com 阅读:
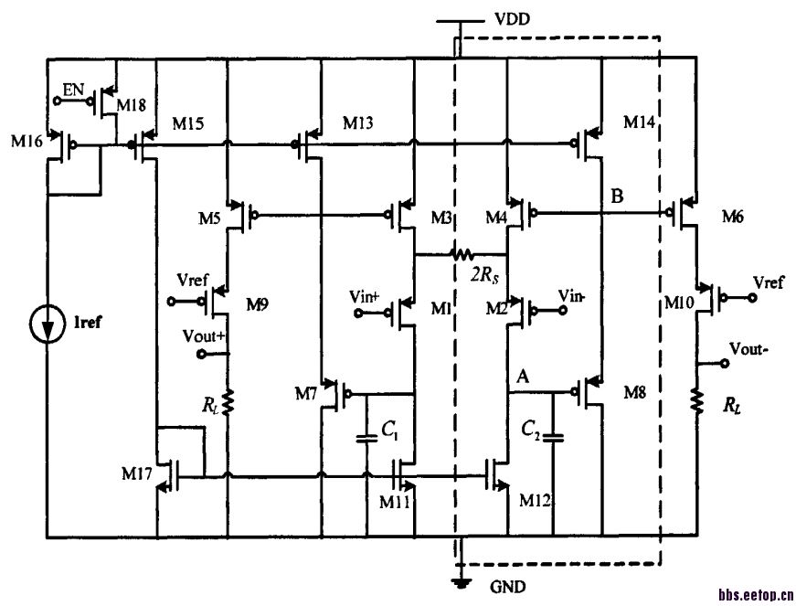
对下面这个电路的补偿电容的设计不是太理解:

为何不把补偿电容加在M7,8的栅漏之间呢?
接电路图所示的电容时特性如下:(电容为1pF)

电容越大,带宽越小
如此可知,在频率在10M左右时,开始出现正反馈,在M7,8之前加电容时,可以引入一个零点,但是高频改善不够完全,还会对低频造成一些影响,而用接地电容的话可以直接滤去高频,这里电容越大带宽会越小

为何不把补偿电容加在M7,8的栅漏之间呢?
M7,8不是小信号输出的通路
小信号是由A点通过M8到达B,然后经由M6到达输出的。注意B点处是十字相连的。
该问题已经基本得到解决了。
未加补偿电容时,交流特性是这样的:
[attach]519030[/attach]
在M7,8的栅漏间加电容的交流特性如下:
接电路图所示的电容时特性如下:(电容为1pF)

电容越大,带宽越小
如此可知,在频率在10M左右时,开始出现正反馈,在M7,8之前加电容时,可以引入一个零点,但是高频改善不够完全,还会对低频造成一些影响,而用接地电容的话可以直接滤去高频,这里电容越大带宽会越小
有意思啊,这个是什么东西?应用环境
不把他接在栅漏之间?什么意思?
不是已经在栅漏之间了吗?只不过这里漏接地而已
是啊,没有注意到M7,M8是PMOS,有种定向思维在作怪啊!
这个电路我感觉和我们典型的控制增益的运放还不大一样(SANSEN书P265那种),M3 M4的失配会带来较大的误差,所有失调产生的电流都流过RS会产生很大的失调电压吧?个人理解,欢迎讨论
还有一个问题,这个电路如果改成把M13 M14去掉,M7 M8换成NMOS接在 M3 M4的漏端是不是同样也能工作。
M7/8是sourcefollow,没增益的且不是反向放大,当然不能加米勒电容
我也要去自己仿仿看
这种结构倒真的不常见
申明:网友回复良莠不齐,仅供参考。如需专业解答,请学习本站推出的微波射频专业培训课程。
上一篇:IC5414 无法启动
下一篇:HSPICE中怎么写宏模型进行行为仿真(比较器)?

