相位补偿
录入:edatop.com 阅读:
密勒补偿和反馈电容补偿是同一个意思吗
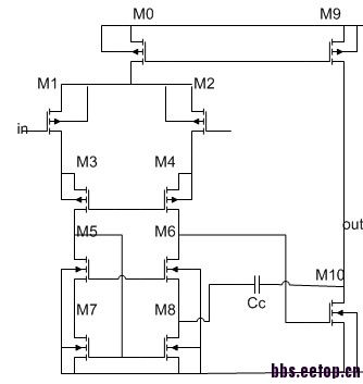
这个电路用的什么补偿方式
密勒补偿包括在反馈电容补偿里面吗
补偿电容可以一端接第一级的负载端,另一端接第二级的输出端吗

这个电路用的什么补偿方式
这是cascoded compensation
Ahuja补偿,计算一下你会发现那里存在一个零点。
个人理解,应该不是吧
申明:网友回复良莠不齐,仅供参考。如需专业解答,请学习本站推出的微波射频专业培训课程。
上一篇:synthesize和map的区别及使用工具
下一篇:是否留下或者离开再找?

