首页 > 微波/射频 > RFIC设计学习交流 > 求助问SR与温度的关系,温度变化如何影响SR

求助问SR与温度的关系,温度变化如何影响SR

录入:edatop.com    阅读:

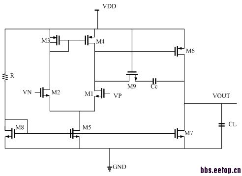
如题:比如电路如下:

申明:网友回复良莠不齐,仅供参考。如需专业解答,请学习本站推出的微波射频专业培训课程

上一篇:菜鸟请教大神HSPICE仿很短的verilog-a
下一篇:用calibre和assura提取寄生参数

射频和天线工程师培训课程详情>>

  网站地图