调零电阻与米勒补偿
录入:edatop.com 阅读:
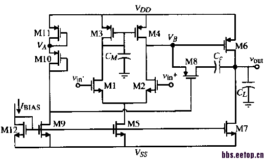
请教各位几个问题,下图所示为Allen书上面“调零电阻与补偿电容”一节中的,其中有几个问题不太明白。
这是一个简单的2级运放,电容Cc进行的频率补偿,M8作为一个电阻来调节零点,首先为什么需要M10和M11两个这样的管子做同样的接法,根据书本上面的分析是Va=Vb,这点我有点不太明白,我感觉2者好像也看不出来相等。另外,我在好多电路当中都看到过这种结构(M10和M11的这种接法),这种结构有什么好处吗?是否和cascode结构那样,用来增大输出电阻,还是有其他的优点。
顺便弱弱的问一下,用MOS管代替电阻来调节电路的零点有什么非常典型的好处吗?
谢谢各位了!

这是一个简单的2级运放,电容Cc进行的频率补偿,M8作为一个电阻来调节零点,首先为什么需要M10和M11两个这样的管子做同样的接法,根据书本上面的分析是Va=Vb,这点我有点不太明白,我感觉2者好像也看不出来相等。另外,我在好多电路当中都看到过这种结构(M10和M11的这种接法),这种结构有什么好处吗?是否和cascode结构那样,用来增大输出电阻,还是有其他的优点。
顺便弱弱的问一下,用MOS管代替电阻来调节电路的零点有什么非常典型的好处吗?
谢谢各位了!

拉扎维书上300页说得很详细,为了左平面零点能抵消次极点,Rz需要和gm6成反比。
图上的gm10与Vgs10-Vth10成正比,与Rz成反比
书上说了“设置偏置电流以使电压Va等于Vb”,如何设置呢?很简单,使管子M9=M7;M6=M7,就可以满足要求。二极管连接方式层叠主要用在构置自己的想要的偏置电压的地方。出现在偏置的地方多点。
申明:网友回复良莠不齐,仅供参考。如需专业解答,请学习本站推出的微波射频专业培训课程。
上一篇:哪些设计中会故意引入系统失调电压?
下一篇:关于LED driver的一个电路

