带隙基准仿真的transient的问题
录入:edatop.com 阅读:

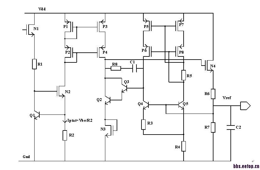
上图是一个带隙基准电路,P5,P6,P7,P8构成了cascode结构,我想问一下,电阻R5的作用是什么?
问题2:我仿真发现如果不适用cadcode结构,将P6,P8去掉,仅适用P5和P8的话,给电源加一个正向和负向的小脉冲三角波,仿输出的transient,会变差,适用cascode结构的原因是增加vdd到输出的阻值吗?这样而已让输出的transient会变得比较好。
另外,电路的PSRR也会变差,是不是也是相同的道理,希望大神帮忙解答一下?
谢谢!
R5是自偏置电阻,给P6,P8提供栅压。使用cascode显然会增加电源抑制比,你可以从负反馈的角度理解,也可以从电阻增大的角度理解。
self-baised cascode.
Allen 的書上有
申明:网友回复良莠不齐,仅供参考。如需专业解答,请学习本站推出的微波射频专业培训课程。
上一篇:calibreview 求助
下一篇:求指导一个关于Bandgap的问题

