讨论LC VCO开关电容阵列问题
录入:edatop.com 阅读:
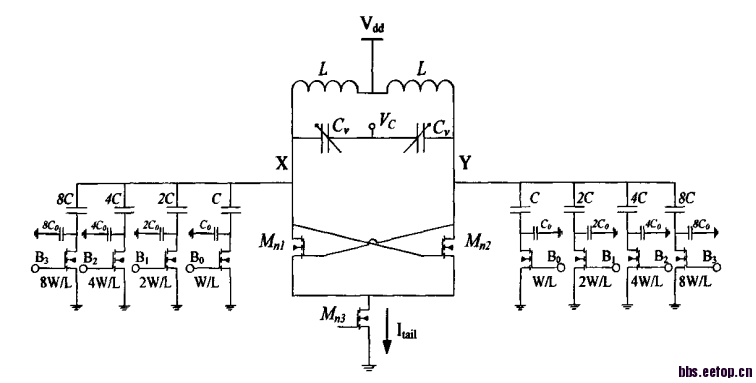
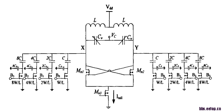
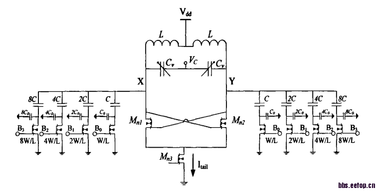
我按照如图所示构成了LC VCO开关电容阵列,给所有Bx栅极低电压0V,仿真出频率与电压曲线图;我再把所有的栅电压改为1V,理论上应该频率会降低,可是这两次结果差不多重合了?感觉开关管没有导通一样,请教大家什么原因······





有点奇怪,看看你的电路或者仿真设置,哪里搞错了?
可能是管子的w/l太小了,导致管子导通时电阻过大就会出现这种情况,你把w/l调大试试看。
你那个开关电容是怎么控制的呀,即B1,B2,B3,是用数字模块控制的,在cadence中要自己写这个控制吗
申明:网友回复良莠不齐,仅供参考。如需专业解答,请学习本站推出的微波射频专业培训课程。

