首页 > 微波/射频 > RFIC设计学习交流 > 开关电容共模反馈中两相时钟在工作中的定义问题?

开关电容共模反馈中两相时钟在工作中的定义问题?

录入:edatop.com    阅读:



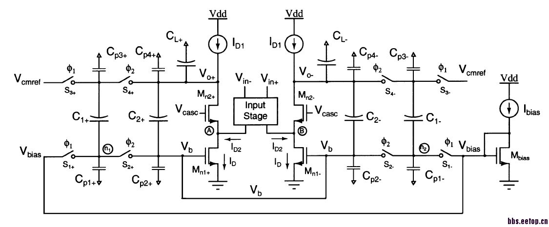
在f1相位时,应该是放大相,还是采样相?换句话说,图中f1和f2两个非交叠时钟分别代表的是放大相或积分相?

申明:网友回复良莠不齐,仅供参考。如需专业解答,请学习本站推出的微波射频专业培训课程

上一篇:全差分运放连续型1倍增益怎么搭建
下一篇:模拟开关的问题

射频和天线工程师培训课程详情>>

  网站地图