两种VCO区别
录入:edatop.com 阅读:


请问这两种VCO各自的区别都体现在那些方面?比如相位噪声、功耗、震荡幅度, 比较常用的是那个啊? 另外在可变电容仿真的时候仿真的是C-V曲线,扫描可变电容一端的电压,另一端固定,可是在VCO里面由于X,Y两点电压都是随着震荡频率一直变化的,那么可变电容两端的电压不也就随着震荡频率一直变化吗?那么此时计算容值的时候按多大电压计算啊?
另外VCO的功耗是不是包含静态和动态两部分? 在功耗仿真的仿真结果里面对应不同频率出的功耗值如何去理解啊?我们认为VCO的功耗是不是就是频率俄日0Hz的时候的功耗,可是后面那些频率点处的功耗呢? 求指导、、、
建议采用第二种结构
可以简单说说理由吗、、、 第二种震荡幅度的下线要比第一种高啊 会不会始终有尾电流那么大的静态功耗啊?
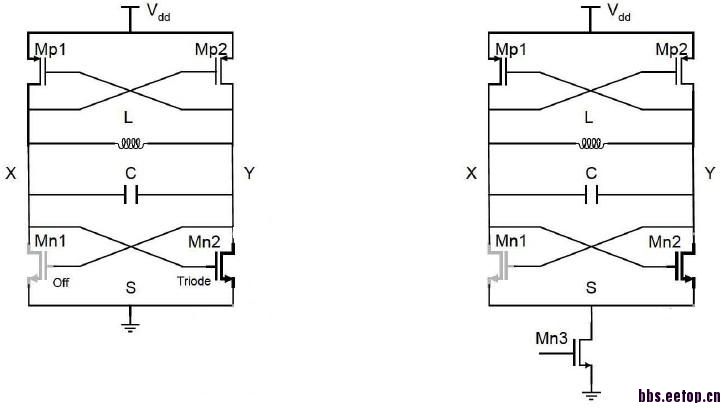
第二种二次谐波要小,但不适合在1.8V或1.2V.
电容可以近似是C+dC,C-dC的串联,变化不大;个人理解实际上电容值是个周期稳态的大信号电容,因此不能用微分电容的观点。
功耗用tran仿真,caculator里rms求
多谢大神指点、另外为啥第二个二次谐波要小啊、这个二次谐波是电路工作在大信号下非线性引起的吗?
尾电流的管子滤波吧 应该是!
第一种结构由于没有尾流源,对VDD耦合进来的噪声十分敏感,所以必须另外设计一个LDO以降低相位噪声。但是它的输出摆幅较第二种大,适合于低压设计。另外由于尾流源的1/f噪声会耦合进VCO的LC TANK,第二种的结构的相位噪声会较第一种恶化。很多情况下最好在尾流源和differential pair间加入高阻抗以滤除尾流源的1/f噪声。
总的来说,如果是做LDO+VCO的低压设计,可以考虑用第一种。如果VDD够大,且用高阻抗来滤除尾流源的1/f噪声,那就用第二种吧。
申明:网友回复良莠不齐,仅供参考。如需专业解答,请学习本站推出的微波射频专业培训课程。

