高难度挑战,不要错过!
问题是电容耦合的单端输入,需要单转双输出,单端信号幅度还比较大,在1.8V电源下有1V,因为是电容耦合所以必须看到高阻。
现在要求输出THD要求大于70dB,在10MHZ的频率下很难达到。
用noinverting buffer怎么都达不到,rail to rail input THD还是不够。
1# cruya
难道又是video signal 。
AC couple与输入高阻没有必然关系,
而且AC couple + high impedence需要signal clamping
板子上不需要阻抗匹配么?
的确是video signal
有没有人碰到过这个问题?
3# cruya
video 不太关心THD的
先将信号衰减为小信号,幅度为1~10mV, 然后用2级正反馈(跟日本人学的,最高可将200M的信号转换为差分),转换为差分,) 最后,将差分信号信号放大.
6楼的高手:能不能将你说的2级正反馈转换为差分讲的更详细一些。
最好来点图说明,或者给点资料。
6# chenxm0113
7# zhifang
这感觉比较扯了,哈哈,信号衰减了就完蛋了,SNR没了
8# fuyibin
老兄,是你见识太少.衰减器也是常见的电路。多见于分立元件.你最好在网上查查什么叫衰减器(attenuator)再发言。
在通讯IC的前端都会做可调的增益.当信号很强的时候,如果不衰减的话线性是不满足要求的。通常都会做变增益的LNA。
即使信噪比降低,只要满足要求就可以了。但通常噪声floor很低,即使 信号小了,10dB, 也影响不大。
可能确实我见识少了吧,哈哈
RF跟video就不是一个东西,所以是没法把马嚼子套到牛头上。
也没有发现SONY,三星 他们这么搞。
PGA或者VGA是常见的东西
通常video标准信号时1Vpp,如果衰减到10mV,就是40dB没了,
再进1Vpp/10bit ADC,SNR不会好于20dB ...
如何再把信号SNR做好就没见过了,唉,我见识太少了
先用一个单端运放,然后再跟上一个单端转双的ADC driver 就好。
10# fuyibin 通常video标准信号时1Vpp,如果衰减到10mV,就是40dB没了
为什么?实在是搞不懂。只能说明信号幅度减小了40db,和ADC的SNR有何联系? 转成差分后会放大,恢复为1Vpp。
有时候信号的幅度本来就很小,
从天线上接收到的信号,有时候只有10uV,通过LNA/VGA 放大后,还不是可以转换为10bits/100M?
即使按照老兄你的意思,是不是把10mV放大到1v, 就增加了40dB?
加40减40不是抵消了吗?
SNR和系统的noise floor有关吧。只是就是放大过程中,引入的噪声不要太大就可以了。ADC能够达到的SNR和noise floor和量化噪声有关。
搞不明
12# chenxm0113
哈哈,仅仅是学术讨论,不要当真
贴两个图,我以前做的


13# fuyibin
请问第二级差分运放输入端的电阻有什么作用。是不是一个比较简单的问题啊信号幅度本来小,需要放大,和故意把大信号弄成10uV 再放大,是两回事情。
前者,在通信电路很常见。后者估计没人这么用。
如果ADC fullscale 是1V, 输入信号是1Vpp single-ended, 从输入到 adc input 应该没有任何attenuation.sallen-key filter, 做一个pole
电容耦合怎么单转双?
13# fuyibin 用
简直是垃圾.小编说得很清楚,"noinverting buffer怎么都达不到,rail to rail input THD还是不够"
很显然你还是用的noinverting buffer. 了无新意.你想想看这种buffer谁不会.被你老兄说的脸红了,真是无知者无畏啊,哈哈
19# fuyibin
19# fuyibin
我知道论坛上就你牛!别人都无知。
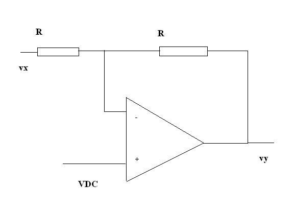
要知道这是一个教科书上都讲过无数次的反向放大。
vy=-vx,如果VDC=0.
以为前面加个buffer, 后面加一个滤波器,就以为你穿了马甲,别人就认不出你的马甲阿
小编说的是,THD不够。
晕,坛子里还有你这样的人,哈哈哈
真的长见识了
这位兄弟不知道做过什么东西?整天吵吵着这个是教科书上的,那个是教科书上的
是啊,什么知识都是书上的,
你倒是好像自立门户,独成一派了哦,又是一位开山鼻祖级的人物出现了
BTW: 小编说THD做不到就不是真的做不到, 70dB@10MHz[/email] 并不是非常高的指标
最简单的方法就是把带宽做上去就可以做到,而且曾经做到过83dB@5MHz[/email], 75dB@10MHz[/email], 60dB@50MHz[/email]
fuyibin大神,请问您这个buffer是rail to rail 结构吗?
我现在用vdd=1.8 做一个CVBS(input swing 1.4)的buffer,采用rail to rail 结构,从一些论文上的资料来看,THD的确没有做到60dB以上的 ,其主要原因来自rail to rail 结构采用的N,P对管的offset是随输入共模变化的。
我现在做了一个max current结构的rail to rail,没有加失调THD -70dB@5M, 加上offset后,利用蒙特卡洛,THD均值降低60dB,最差到50dB左右,这还只是前仿。请问您的buffer的运放是采用rail to rail 吗?采用的是何种结构?
另外,video ac couple 输入是要求高阻的,buffer应该不可少吧?
望回复,非常感谢。
用2.5V或3.3V做, 1.8V 下想做1.4V 的输入范围比较困难
或者牺牲一点SNR,把信号衰减6dB要衰减的话除了电阻分压还有其他办法吗?如果用电阻分压的话,如何保证输入高阻呢?
可以用电容分压吗?一点建议,觉得大家还是心平气和地讨论比较好,这样才更像学术讨论。别搞得像疯狂的60年代似的。那样很没劲,问题搞不清,尽斗气了。万一气量窄点,再气个长短,就更不值了。
LZ,能问一下信号的bps,和电容耦合用的是多大电容值吗?
是啊,我也有同样的困惑,衰减那么多了,怎么做好SNR. 就我所知射频要求的最终SNR不会超过20dB,所以呢
射频或许可以,但不了解,video signal要求的信噪比好像蛮高的,怎么做呢
赞同fuyibin阿,先衰减再放大,明显降低信号的SNR,这种结构理论上是做得到的衰减信号幅度可以在board上做,video信号 75 ohm termination,你可以用两个37.5 ohm的电阻做分压
信号就是一半了,并不影响你芯片的高阻输入申明:网友回复良莠不齐,仅供参考。如需专业解答,请学习本站推出的微波射频专业培训课程。

