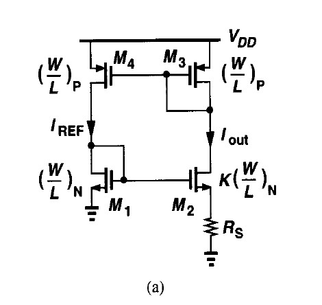
razavi书中与电源无关的电流电路疑问



m1 L=10um W=5um
m2 L=10um W=10um
m4 L=10um W=5um
m3 L=10um W=10um
Rs 1K
VDD 1.8V
输出端为m3的漏端,瞬态输出电压波形怎么是这样?是因为没加启动电路吗?怎么用HSpice仿真电路的启动问题啊?我做了DC tran 发现此电路没加启动电路仍能工作啊,而且电路的电流随电压变化,并不如razavi所说为固定值啊?
仿真图上为tran下位dc
lz,请问你第2个图的横坐标扫描的是哪个的DC
VDD即电源电压
小编给出的图不是很能说明问题。
你上图是tran的,但是你只给出了M3的drain波形,没有给出电流的波形,也没有给出vdd的电压及其上电波形。所以不好分析。至于你说的软启动,是跟你的vdd的上电特性很有关系的。如果你的vdd是一个step上电,那么没有软启动应该也可以起来。
下图的问题,你可以看看是不是你的管子进入线性区了。似乎你的稳态电流有数百微安,你把你的电路改为100k看看
试过仿真类似电流源的时候,少了个不起眼的启动电路,但是平时仿真dc全没问题。随便加个无关紧要的power down控制管,就有个cornor dc没过,但是改下这power down管的尺寸,就能正确仿真DC。
后来。1u~100ms的仿真上电都没问题。后来先建立VDD , 然后enalbe从0~1的时候,发现启动时间过长,才发现了这个问题。最好加启动电路
注意宽长比M1:M2不能等于M4:M3,这样才会产生电阻R上的电压差。
呵呵,谢谢小编
算一下你这个电路的环路增益是否小于1
那VDD应该怎么给呢?望高手指点
您好:我把电阻换成10K,m3的W改为5um,得出的电流理论上应该是3.9uA
关注一下
申明:网友回复良莠不齐,仅供参考。如需专业解答,请学习本站推出的微波射频专业培训课程。
上一篇:求助:关于带隙基准的设计问题
下一篇:关于uic选项在hspice中的作用讨论

