求教:如何抑制reference noise对delta sigma调制器的影响
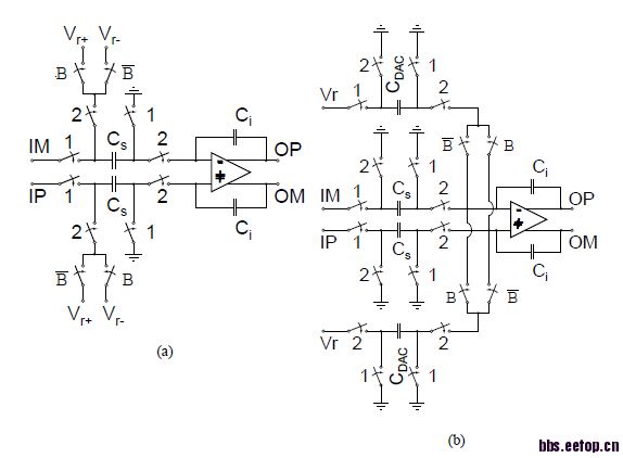
上图所示是delta-sigma 调制器中常见的内部DAC结构,即采样电容与DAC电容共享和二者分开两种,我设计时采用了前者,但是对于一个多比特量化器来说,Vr+与Vr-引入的抖动是与输入信号幅度直接相关的,前仿结果发现Vr+与Vr-用bandgap电路产生时的噪底要比用理想电压源输入高20dB! 请问各位高手有没有直接在这种结构基础上作简单改动就能有效抑制reference电压抖动对噪底的影响的方法?
。我怎么感觉问题很奇快
首先Vr+,和Vr-上有singal dependent ripple 很正常,所谓鱼和熊掌不能兼得,你想共用电容减小noise,ripple方面就得加倍注意。
bandgap reference直接连到Vr+,Vr-?还是我理解错了,至少得加buffer吧。
加了bandgap后noise比用理想电压源高很正常。关键问题是高出的部分到底是因为bandgap本身的Noise,还是因为Vr+,Vr-上有ripple导致的folding.如果是前者,你得减小bandgap的noise,如果是后者,设计更好点的buffer即可
可能是我没说清楚,ref电压是通过buffer加的~ “关键问题是高出的部分到底是因为bandgap本身的Noise,还是因为Vr+,Vr-上有ripple导致的folding” ,对于这两种原因,您有什么好的仿真方法来确定到底是哪个在影响吗?
1。单仿buffer,提取noise profile,用理想电压源加noise profile仿真,如果和之前结果一样,说明的你的bandgap+buffer本身noise太大。
2。pnoise + source separation,看Noise的来龙去脉
noise还真没怎么仿过,受教了,我去试试看!
再问一下,noise profile如何提取呢,您有没有进行相关操作的文档?~
noise simulation-->print noise^2-->save to txt file --> add it in voltage source
非常感谢,今天去试试
谢谢您上次的指点,由于前段时间有事耽搁了,所以项目停了一段时间,您说的noise file有什么具体格式要求吗,输出噪声的单位一定要是V^2对吧,但是truncate & sort这里number怎么设呢?~ 还有就是我这里说的仿真结果变差都是对tran仿真结果作FFT得到的,tran仿真是不能体现noise的吧,那么其实对于我现在结果分析它的noise其实是没有意义的喽?
可以做频谱分析
大侠您好,看到你回复过一个帖子,说打印噪声信息,您给的如下方法:
noise simulation-->print noise^2-->save to txt file --> add it in voltage source
那么您得到的噪声信号是频域的还是时域的呢?并且怎样保存成txt file?希望您能抽出时间来回复。谢谢。
是不是可以用ocean导出来呢?
学习学习!
申明:网友回复良莠不齐,仅供参考。如需专业解答,请学习本站推出的微波射频专业培训课程。
上一篇:用线性区的mos管当电阻来共模反馈
下一篇:请问 电阻精度问题

