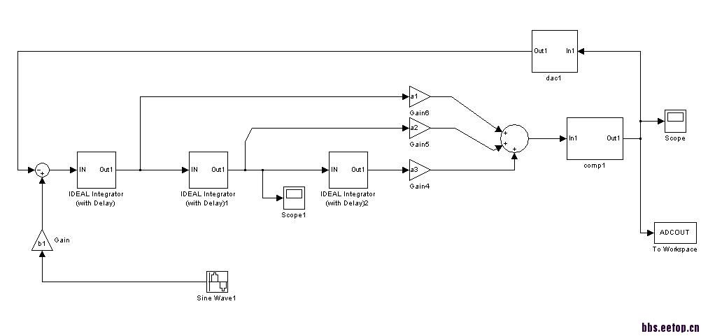
离散M=64,order=3,1bit量化ADC simulink仿真结果不理想,求改进建议。
录入:edatop.com 阅读:
如题。自己调整之后不知道问题在哪,求各位建议指导。谢谢
system

snr

1 环路衰减是多少?
2 采样点是多少?
3 纯理想filter怎么会有3rd harmonic?
理论上3阶1bit64OSR应该能到90+ SNR纯理想的结构也会有三次谐波的
刚接触,有些东西确实没有搞懂,采样点是2^14,环路衰减..不懂。能给个离散建模的文件参考么。谢谢
确实与预期差别很大,想知道问题出在哪里。谢谢申明:网友回复良莠不齐,仅供参考。如需专业解答,请学习本站推出的微波射频专业培训课程。
上一篇:ldo design
下一篇:关于OTA-C滤波器的gm单元的仿真?

