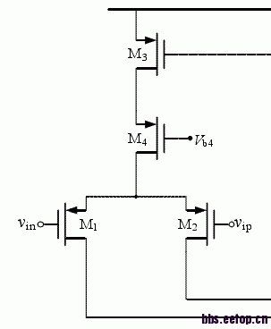
folded cascode输入管上面的两个管子起什么作用?
想了一遍,好像没什么区别
个人猜测:这个是高速运放,而且M1,M2的size很大,为了减小次主导极点的影响,用了M3,M4隔离输入管和次主导极点。脱离了实际应用来看电路,实在不好猜M3,M4什么用的
谢谢。
M4和M5可以使两边的直流电平匹配,如果M3换成cascode,可以去掉M4,M5
我觉得这两种结构还是有差别的吧
猜测一下,M4,M5可以削弱大信号跳变时输出对输入的干扰,增强反向的隔离效果。这是个差分输出的OP,不知道共模反馈是用什么机制实现的,也许和这个有关。
共模反馈就是普通的SC-CMFB
学习了,谢谢
感觉可以提高输出电阻,提高增益吧。另外减小折叠点的计生电容也是一个原因。
个人猜测,希望小编能指明出处
提高匹配,和减小Cap
这是共源共栅吧,提高增益
提高增益?呵呵,你最好推导一下这个电路的输出阻抗,M3,M4对增大输出阻抗的贡献不大。
在我看来,这个像是两个级联的电阻,提高pssr的。同时像是有反馈的作用
隔离差分管的电容,降低次主极点。
又多了一个极点,是不是得不偿失?
同意10楼,一定程度上可以提高增益,同时提高非主极点的频率
但是多了一个级点啊
什么意思?我不明白哈
应该是隔离输入管对非主极点的影响。输入管都会选用大的宽长比的晶体管以增强跨导,从而导致大的寄生电容。要是是为了电平匹配的话,在电流源处使用Cascode会更好,因为那样不会引入新的非主极点。
同意减少电容,提高非主极点
申明:网友回复良莠不齐,仅供参考。如需专业解答,请学习本站推出的微波射频专业培训课程。
上一篇:怎样仿真噪声电流密度及增益电流密度
下一篇:源跟随器____振铃现象

