关于2.5bitMDAC中比较器的结构选择问题
如果有哪位之前做过或正在做这方面的研究,请给一些建议,或者有相关的论文也可以推荐一些,多谢了
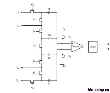
开关电容比较器?上图,再分析 。

这种结构在我看到的国内pipeline论文里还是很常用的。
这就是 正常的 pre-amp + latch结构嘛
并不像你所说的什么 开关电容比较器。呵呵
这就是开关电容比较器
它与其它比较器的区别就在于前面的那些电容及相应开关的配合,具体的分析你可以找相关论文看看。
1.5bit 典型比较器,2.5bit的稍微复杂一些
能否详示?你是指2.5bit里的比较器复杂吗,是否还用的开关电容结构呢
比较器都一样,关键是开关电容的组合,2,。5bit的要复杂一些,但是也不难的。
多谢了,我就是想了解一下对于2.5bit子级,比较器是否还可以用其他结构来实现
你可以用resistor ladder 来产生参考电压,不需要用电容来做reference interpolation
一般用preamp已经可以减小负载了,不需要开关电容吧
2.5bit sub adc用通常的预运放锁存比较器为什么不行?是因为比较器精度不够吗,如果Vref为800mV,那么比较器精度50mV足够了,这个在几十M的速度下,比较器是很容易达到的吧,为什么要用开关电容的,求解
这一点我也很理解,尝试用过 非开关电容,直接比较电压的,仿真发现,回踢噪声比较明显,在临界状态时会有来回波动,对仿真的输出结果影响较大。
那你的意思是这里还是用开关电容的ADC,因为我是单仿,基准电压也是直接给的,不用开关电容也能通过,那如果用开关电容的话,对前一级的负载还是影响蛮大的吧,对前一级功耗也会有影响了,你现在还是用开关电容的吗
申明:网友回复良莠不齐,仅供参考。如需专业解答,请学习本站推出的微波射频专业培训课程。
上一篇:测试ADC时,信号源和时钟如何接到板级
下一篇:高手帮我看看代码吧。

