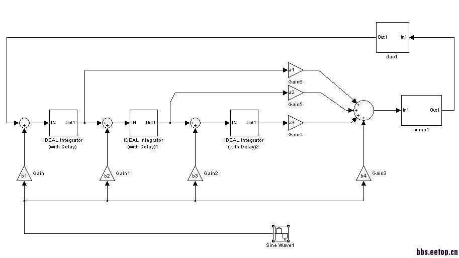
刚开始接触ADC,3阶,过采样64,1位量化的模型,效果很差,请各位给些改进建议。
录入:edatop.com 阅读:
如题,三阶离散一位量化ADC。求建议。感激。
order=3,M=64

SNR

Architecture is OK, but the spectrum seems very bad.
I think you should change the integrator coefficients.
I have calculated several times about the coefficients compared with the outcome H(z) from Matlab. Is there any possibility that the simulation .m file does not fit with my architecture for I only change the parameter such as the order, osr. I do not well understand the file which I borrowed from others.
Maybe, It's possible
thanks
三阶及以上1bit 量化很容易产生量化器过窄,请尝试减小输入信号幅度或改为多bit 结构。
thanks i will try again申明:网友回复良莠不齐,仅供参考。如需专业解答,请学习本站推出的微波射频专业培训课程。
上一篇:芯片技术参数求助
下一篇:求问RF MEMS方向的发展状况。

