菜鸟求助:怎样调整cascode inverter的Vth?

小弟在这里先谢过各位了~
vin做额外开关让清零时候vout不要连接全部的M4,或者清零的时候额外往vout里面灌一路电流
vin做额外开关让清零时候vout不要连接全部的M4。这句话怎么理解?另外有没有办法让Vout下降一个固定电压(比如300mV~400mV)再连接到Vin,这样怎么实现?
那为什么不用3v的管子呢?没有人规定1.8v电源电压一定要用2v的管子,你可以试试
你这个想法倒是简单可行啊。
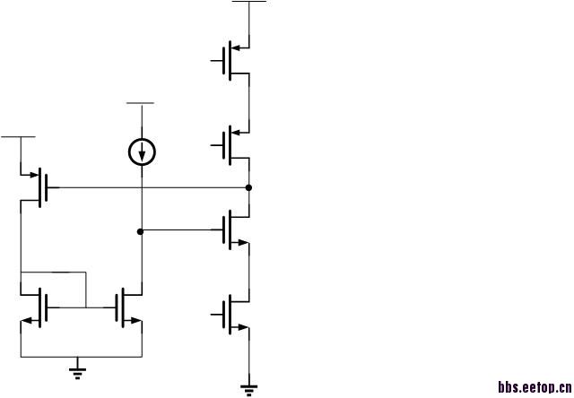
让M4放上面,M3下面接个二极管连接的N管怎么样
M3和M4换一下,而且最下面再接一个diode-connected mos。这种放大器原理何在?
M3和M4换一下是什么道理?这种放大器原理何在?而且从Vdd到gnd一共接了5个管子是不是太多了?
去掉M3,在输入管源极加一个degneration二极管连接的NMOS应该可以使trip point接近0.9V,只是gain也变小了。
嗯,我试了一下,增益下降挺多的,只有50多dB
那你可以在两种状态下加点开关控制一下。
另外你觉得这样子怎么样?
小弟初学,请大神具体解释一下这个电路行么。谢谢谢谢谢谢~
清零的时候vin接M4的drain,vb3接vout
不是大神哦,我也是初学者,这样子弄可以通过反馈把Vout的DC稳在vdd-vgs上么,不过正常工作的时看到的表现还是增益降低了。其实不管怎样你想想,让Vout=Vin这样子本身就是个降低增益的事情,这和你追求增益有点相反,所以这些电路都两种状态下切换吧,也许没有兼顾的方案
用个source follower试试
有个疑问为什么不把M1和M4的栅极连在一起?
最近我也在做inverter-based的放大器 求交流
申明:网友回复良莠不齐,仅供参考。如需专业解答,请学习本站推出的微波射频专业培训课程。
上一篇:DAC的建立时间
下一篇:请问如何将hspice 产生的.IC0 文件 导入

