为什么Cadence仿真完全对称的电路会得到不同的输出?
录入:edatop.com 阅读:

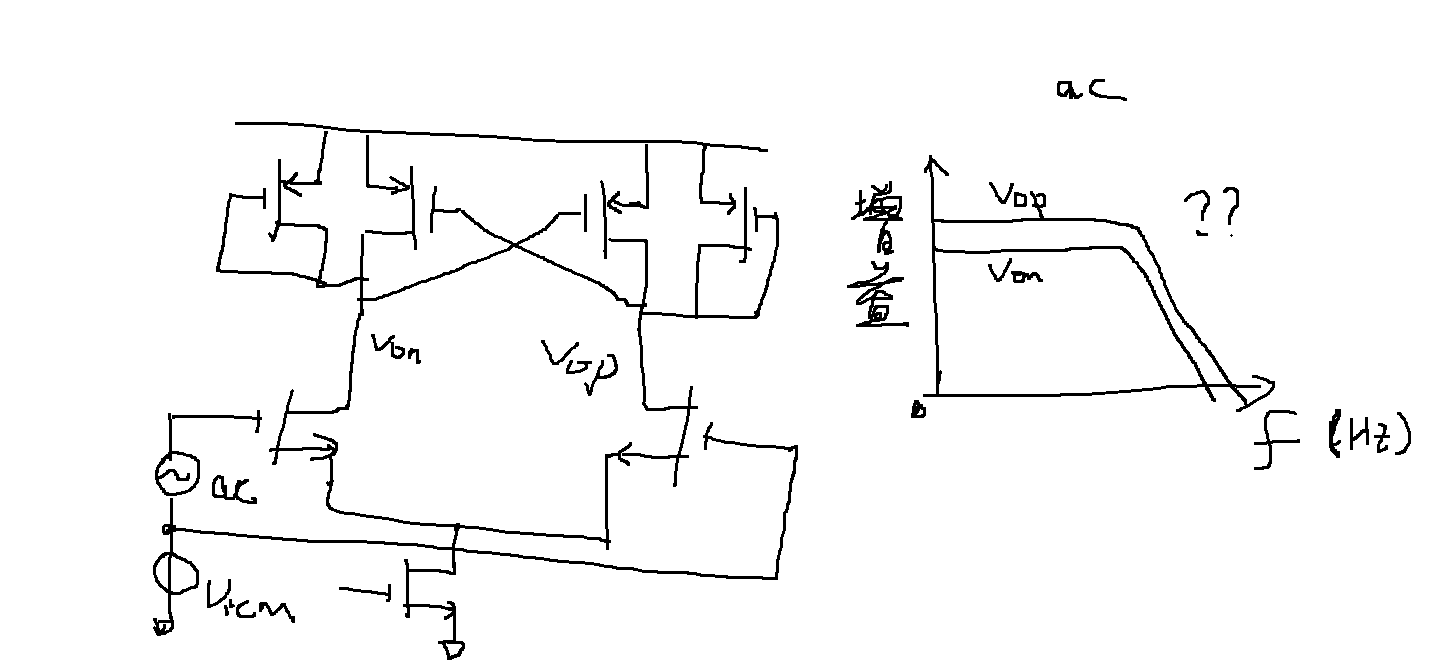
为什么做ac分析连个完全对称的输出会有不同的增益?
有时候一样,有时候不一样?这是为什么?
原因是尾电流的管子的影响了ac性能……
这是为什么呢?用理想的电流源是没问题的
加差分信号试试
果然,采用全差分信号就没问题了~thx
不过还是不明白为什么是这样的,求解释

VOP到VINP、VOM到VINP。两个增益。你说会一样吗?我们一般指的是VOP-VOM到VINP-VINM的增益。或者VINP、VINM各加正负1ac。这样测得输出VOP与VOM的是一样的。
你信号都只加在一端,对什么称?
但是用理想的尾电流源是可以的,加单端信号也是可以得到两个完全对称的输出的
尾电流管有内阻,不是理想电流源
申明:网友回复良莠不齐,仅供参考。如需专业解答,请学习本站推出的微波射频专业培训课程。
上一篇:负电压电荷泵的效率一般可以做到多少呢?
下一篇:fold_cascode中输入共模电压仿真其输出后面不跟随输入?

