管子参数设计求助
录入:edatop.com 阅读:

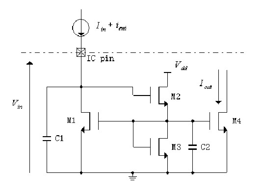
各位大神,此电路无法仿真出来。这个电流镜中各个管子的参数如何设计才能合理?求具体参数
为啥不能仿真?ESD?
输入直流电流10uA,输入干扰正弦信号1GHz,幅值为5uA,输出电流确是0,应该是其中有的管子参数设计不正确,没有导通。
1GHz?寄生参数或者电容导致其被淹没?
查下VIN的大小,及M2的ft。
没有电压输入,只有电流输入,这是个电流镜
电流镜是压控的,所以1G的变化 要考虑寄生了
不加干扰,直流工作ok?
不加干扰电路也不会工作,电路输出为零,应该是电路没有导通
那10M或者100MHz的干扰呢?设计电路的目的是为了滤除干扰
那直接看结果哪个管子有问题调下不就行了?
目前先把直流点调出来,再看交流
从结构上就可以直接仿出来
简单调试以后,1M的响应能很快出来
高频的就要注意匹配和增益了
申明:网友回复良莠不齐,仅供参考。如需专业解答,请学习本站推出的微波射频专业培训课程。

