the summing circuit does not work
录入:edatop.com 阅读:
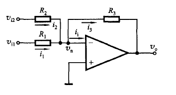
I want to realize this summing circuit based on feedback opamp for input signals of 10G. I just write a verilog A opamp for simulation, but the circuit seems not work. I am confused about how to bias this circuit and is that right to just connect the positive input to groud? what's more , how to choose the resistors here? thanks very much.
first, check whether the opamp model you designed works well
I think it goes well. I pay most attention to the Gain and bandwidth in the model with one pole. I check it before and after adding the feedback.
申明:网友回复良莠不齐,仅供参考。如需专业解答,请学习本站推出的微波射频专业培训课程。

