关于VCO起振的问题,希望各位大侠帮忙
录入:edatop.com 阅读:



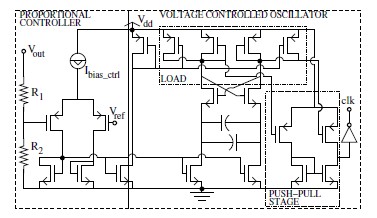
目的是,在Vout<5V时,VCO起振,但现在VCO在Vout为高电压时才起振,怎么调电路呢?请各位大神指点下啊,不胜感激
申明:网友回复良莠不齐,仅供参考。如需专业解答,请学习本站推出的微波射频专业培训课程。
上一篇:开关电源稳定性
下一篇:关于PTAT电流的线性度问题



申明:网友回复良莠不齐,仅供参考。如需专业解答,请学习本站推出的微波射频专业培训课程。
上一篇:开关电源稳定性
下一篇:关于PTAT电流的线性度问题