请教---有没有研究戈泽尔(Goertzel)算法的大牛?
录入:edatop.com 阅读:
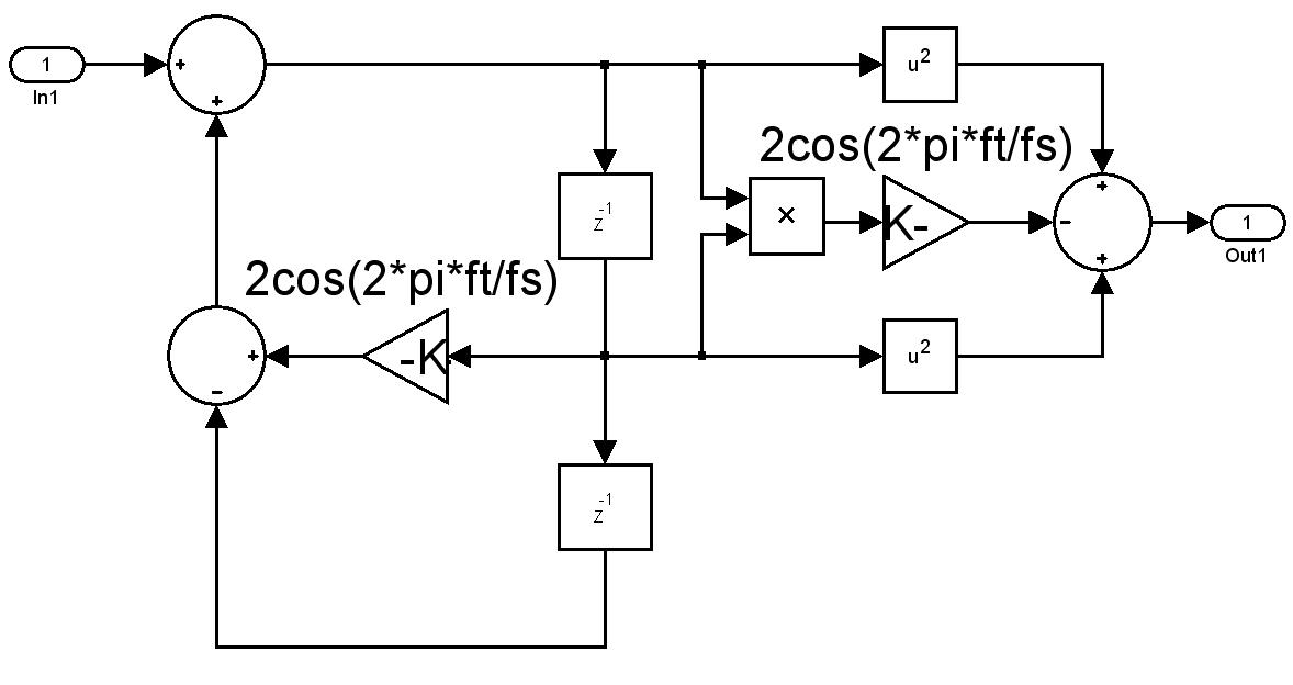
1. Goertzel模块如图1所示,用来计算功率谱线;

(图1)
2. 输出功率谱线如图2所示,感觉应该是趋于一个稳定的值,但图中趋势却是无限增长,不知道问题在哪里?希望大家指点指点。谢谢!

(图2)
很高端,表示不懂
申明:网友回复良莠不齐,仅供参考。如需专业解答,请学习本站推出的微波射频专业培训课程。


很高端,表示不懂
申明:网友回复良莠不齐,仅供参考。如需专业解答,请学习本站推出的微波射频专业培训课程。