求助这个放大器的共模反馈电路
录入:edatop.com 阅读:
下载 (25.2 KB)半小时前
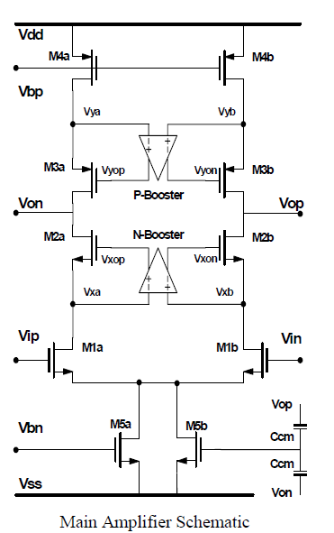
小弟在看一份fully differential amp的报告,其中主放大器的电路如图所示。在共模反馈电路上有一些问题:
两个Ccm电容中间点的电压是多少?为什么?如果认为Ccm不漏电的话,Ccm的压降由初始条件确定的吧?这个共模反馈电路在哪本书讲过?
我看了他的网表,他用一个0.6V的电压源串联一个10G的电阻,接到Ccm的中间点,电压源另一端接地。
申明:网友回复良莠不齐,仅供参考。如需专业解答,请学习本站推出的微波射频专业培训课程。
上一篇:请问相位噪声的弧度表示是怎样计算的?
下一篇:Cadence入门仿真遇到的问题。

