急求 在线等---求大家帮忙看一下这个电路图啊!
录入:edatop.com 阅读:

本人小白 麻烦各位说的详细一点
电路结构都几部分 分别是什么结构 管子作用什么的
急求 在线等
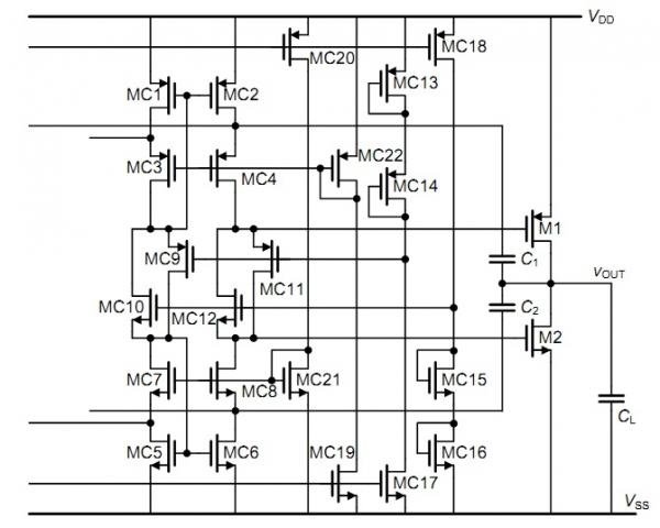
class AB输出吧 两边电路是增益级 中间是两级偏置,没有完整的结构吗?补偿电容还有接到什么地方 好奇怪?
经典的CLASS AB结构,之前有讨论,详情http://bbs.eetop.cn/thread-412138-1-1.html
这种补偿,sansen 的《模拟电路设计精粹》里讲的不错。
轨到轨运放设计,浮动电流源CLASS AB输出级~电流型间接补偿~Huijsing的博士论文《Design of low voltage low power cmos operational amplifier cells》,讲的都是轨到轨运放的设计
输出级,大信号分析好差不多啦
居然被引用了 很荣幸……
Monticelli push-pull
MC13-20 是用来well-define 输出级的quiescent current
申明:网友回复良莠不齐,仅供参考。如需专业解答,请学习本站推出的微波射频专业培训课程。

