关于共模反馈检测电阻下并联电容的问题

关于这两个电容的作用原文中有下面一段描述:
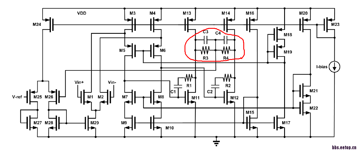
C3 and C4 are for high frequency compensation.When signal reaches very high frequency, the parasitic capacitors of M13 and M14 will significantly influence operation of OTA. With C3 and C4 dominates than those parasitic ones, this high frequency effect can be weaken considerably.
但看了以后还不是很明了,
首先M13,M14的寄生电容是怎么影响运放工作的?
其次加入这两个电阻以后他又是如何消除这些影响的?
有没有哪位前辈或大神遇到过这个问题的,还望不吝赐教!
在这里跪谢了!
自己先顶一个
再顶一下,貌似人们都去讨论IC就业前景了。
假设没电容,高频的时候信号就从那两个管子的寄生电容走到电源而不从电阻走了,共模反馈就弱了,加上电容以后,因为比寄生电容大,所以高频的时候信号还是从大电容走到共模去,共模反馈就不受影响了
嗯,有道理,多谢大神点拨,再等等看还有没有其他解释。
P.R Gray的书上就写了的呀
我想了一下,高频下那两个电容不是会把输出端短路掉?
请问 有对工模反馈环路补偿作用吗?
如果M26的寄生电容大的话会有一对零极点,但实际M26相对这个C太小了
哦 这就好像 在运放应用过程中 (比如,使用R的反馈网络)所使用的中和补偿把?
顺便问你一个关于中和补偿的 问题.如图1所示,, 如果在运放负输入端有大的输入电容Cp,那么这时候Vo/Vi在输入端产生一个极点1/(R0//R1)Cp ,
这时候 会影响Vi到Vo的频率响应,因而影响到信号在时域中的响应。
那么这时候我想问,
1,即使没有任何补偿,就运放构成的环路而言,也不会震荡把? 因为即使输入存在极点 ,那么 这个两阶的系统也没有从 Vo到Vi反馈。
2,通常用的中和补偿 Cf是为了将两阶的系统补偿为一阶的(也就是右一个极点),那这样做的目的是为了什么呢?
3,图2的这种用法 ,Vo/Vi 的传函, 会存在输入的极点,那这个时候是必须要补偿的吧?
谢谢您的耐心回答!

谢谢回复,总之, 这是根据应用来的, 要看输入的R和反馈的R的大小以及opamp输入端的输入电容大小,要保证在GBW之外。
小编能不能把你看的原文贴出来。
小编有原文么。
同求原文,谢谢了……
申明:网友回复良莠不齐,仅供参考。如需专业解答,请学习本站推出的微波射频专业培训课程。
上一篇:面对多环路的stability,大家有好的分析方法吗
下一篇:Alen书上P247设计中,MN11不管我怎么样调其Vds<vdsat.

