折叠共源共栅(vop-von)的增益不是vop增益的两倍呢?
录入:edatop.com 阅读:
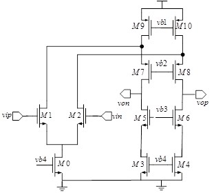
vip输入500mV,vin输入-500mV。做交流仿真时,为什么测得(vop-von)的增益不是vop的两倍呢?



从图上看单端增益50dB,双端增益56dB,就是两倍的关系,只不过这里显示的分贝值,增益增加2倍,换算成分贝就是增加6dB
我脑残了
申明:网友回复良莠不齐,仅供参考。如需专业解答,请学习本站推出的微波射频专业培训课程。
上一篇:DAC仿真求助
下一篇:关于tsmc65工艺

